ClaRa+
Kurzfassung
Modellierung und Simulation von Clausius-Rankine-Kreisläufen

ClaRa+ ist eine von TLK-Thermo und XRG Simulation entwickelte Software-Bibliothek. Sie beinhaltet Kraftwerkskomponenten, die in der Modellierungssprache Modelica programmiert sind. Mit ClaRa+ ermöglichen wir unseren Kunden, kraftwerkstechnische Anlagen dynamisch zu simulieren und dadurch aktuelle Fragestellungen des Kraftwerkbetriebs zu beantworten.
Die Software
Aufbau und Inhalt
ClaRa+ ist ein umfassendes und leistungsstarkes Werkzeug für die dynamische Simulation von Kraftwerken. Verlässlichkeit und Effizienz sind unerlässlich für eine wettbewerbsfähige Energiewirtschaft. Die Stromproduktion aus erneuerbaren Energien wie Wind und Sonne nimmt kontinuierlich zu. Aus der Kombination ihrer fluktuierenden Erzeugung und vorrangiger Einspeisung ergeben sich neue Betriebsmodi für konventionelle Kraftwerksanlagen. Dynamische Systemsimulation kann von der Planung bis hin zur betriebsbegleitenden Optimierung genutzt werden, um kosteneffizient Fragestellungen zu lösen, welche sich aus dem sich ändernden Energiemarkt ergeben.

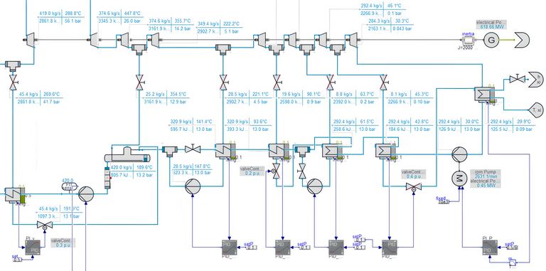
Abbildung 1: Ausschnitt aus einem ClaRa+ Modell für einen Wasser-Dampf-Kreislauf
Vorteile
ClaRa+ unterstützt in allen Projektphasen
- Der modulare Modellaufbau ermöglicht schnelle und effiziente Evaluation von Konzept- und Parameterstudien.
- ClaRa+ Kraftwerksmodelle können zur frühzeitigen Anpassung und Optimierung der Regelungstechnik genutzt werden, um Kosten und Zeit bei der Inbetriebnahme einzusparen.
- Maßgeschneiderte Modelldetaillierung ermöglicht die Unterstützung in allen Projektphasen, von Vorabstudien und Komponentenauslegung bis hin zur genauen Reglerparametrierung.
- ClaRa+ ermöglicht die Analyse von Wechselwirkungen verschiedener Erzeugereinheiten, um die Effizienz ihres Kraftwerkstandortes zu steigern, auch im Inselnetz.
- ClaRa+ beinhaltet state-of-the-art Regelungstechnikblöcke, eng angelehnt an Hardwareimplementierungen, um schnell und effizient ein virtuelles Abbild der Regelungstechnik zu erstellen.
- Die leichte Erweiterbarkeit von ClaRa+ ermöglicht das Erstellen von eigenen Modellen nach individuellen Anforderungen.
- Die ClaRa+ Modelle berücksichtigen die Dynamik der Kraftwerkskomponenten, so dass die Komponentenauslegung auch unter extremen dynamischen Betriebsbedingungen erfolgen kann.
- Störfälle und Sonderbetriebszustände können gefahrlos analysiert werden, um die Sicherheit und Zuverlässigkeit von Prozessen zu steigern.
